信捷XD系列PLC主机,主机14入/10出,双极性输入,继电器输出;供电电源AC100~240V,3路高速计数,1个RS232、1个RS485、2个网口;支持以太网通讯;
信捷品牌正规授权代理商—常州三禾工自动化科技有限公司 |
| 选型技术支持:18115003881 |
XD3E系列PLC本体 XD3E-24NPR-E

实物与参照图结构相同,尺寸相同,仅标识有区别。
产品参数列表
| 型号 | XD3E-24NPR-E | 参数 |
| IO规格 | 本体DI点数 | 14点输入 |
| 本体DO点数 | 10点输出 | |
| 输入类型 | NPN&PNP | |
| 输出类型 | 继电器(R) | |
| 高速定位 | 普通脉冲路数 | × |
| 脉冲插补 | 不支持 | |
| 脉冲随动 | 不支持 | |
| 高速输入 | 单相/AB路数 | 3路(单相最高80K,AB相最高50K) |
| 输入模式 | OC | |
| 基础规格 | 供电电源 | AC220V |
| 程序容量 | 256KB | |
| 扩展能力 | 左扩展、右扩展、BD板 | |
| 实时时钟 | 支持 | |
| 基本指令处理速度 | 0.02-0.05us | |
| 通讯方式 | ModbusRTU/ASCII | √ |
| 自由格式 | √ | |
| ModbusTCP | √ | |
| TCP/IP | √ | |
| Ethernet/IP | × | |
| EtherCAT | × | |
| OPCUA/DA | × | |
| UDP | × | |
| CANopen | × | |
| CANbus | × | |
| 扩展能力 | 右扩展模块数量 | 10 |
| 左扩展ED模块数量 | 1 | |
| 扩展BD模块数量 | 1 | |
| 软件平台 | 软件平台 | XDPPro |
| 编程语言 | LD | |
| 在线下载 | × | |
| 接口 | RS232 数量 | 1 |
| RS485 数量 | 1 | |
| USB Type-B | × | |
| RJ45网口 | 2个 | |
| CAN | × | |
| Type-C | × | |
| SD-卡 | × | |
| 环境要求 | 工作温度 | 0℃-60℃ |
| 工作湿度 | 5%~95%RH(无凝露) | |
| 储存温度 | -10℃-60℃ | |
| 防护等级 | IP20 | |
| 硬件规格 | 产品尺寸(mm) | 108.6*108*90 |
| 带包装尺寸(mm) | 147*141*114 | |
| 带包装重量(kg) | 0.65kg | |
| 认证 | CE(欧盟认证) |
结构组成
型号:XD3E-24NPR-E

通讯接口与协议
型号:XD3E-24NPR-E
| 接口位置 | 通讯类型 | 通讯协议 | 备注 |
| 本机RJ45口1 | EtherNET | TCP/IP,MODBUS TCP,自由格式TCP | 可用于上下载程序、在线监控、远程监控 |
| 本机RJ45口2 | EtherNET | TCP/IP,MODBUS TCP,自由格式TCP | 可用于上下载程序、在线监控、远程监控 |
| 本机Mini Din 8针圆口COM1 | RS232口 | MODBUS RTU ,MODBUS ASCII , 自由格式通讯 ,X-NET | 4: RXD 5:TxD 8:GND ; 可用于程序上下载、触摸屏的连接。 |
| 本机AB端子COM2 | RS485口 | MODBUS RTU ,MODBUS ASCII , 自由格式通讯 ,X-NET | A为RS485+ B为RS485- |
| 左侧ED扩展口COM3 | 可扩展XD-NES-ED模块,支持RS232 或 RS485 | MODBUS RTU ,MODBUS ASCII , 自由格式通讯 ,X-NET | |
本体BD扩展口COM4 | 可扩展XD-NS-ED模块,支持RS232或 可扩展XD-NE-ED模块,支持RS485 | MODBUS RTU ,MODBUS ASCII , 自由格式通讯 ,X-NET |
端子排列图
型号:XD3E-24NPR-E

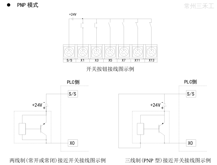
PLC输入接线


PLC输出接线

外观尺寸图(单位:mm)
型号:XD3E-24NPR-E

信捷品牌正规授权代理商—常州三禾工自动化科技有限公司 |
| 选型技术支持:18115003881 |
型号一览表
型号 | 输入点数 (DC24V) | 输出点数 (R,T) | ||||||
AC电源 | DC电源 | |||||||
继电器输出 | 晶体管输出 | 晶体管继电器混合输出 | 继电器输出 | 晶体管输出 | 晶体管继电器混合输出 | |||
NPN型 | XD3E-24R-E | XD3E-24T-E | - | - | - | - | 14点 | 10点 |
XD3E-30R-E | XD3E-30T-E | - | - | - | - | 16点 | 14点 | |
XD3E-48R-E | XD3E-48T-E | - | - | - | - | 28点 | 20点 | |
XD3E-60R-E | XD3E-60T-E | - | - | - | 36点 | 24点 | ||
PNP型 | - | - | - | XD3E-30PR-C | XD3E-30PT-C | - | 16点 | 14点 |
- | - | - | XD3E-48PR-C | - | - | 28点 | 20点 | |
- | - | - | - | XD3E-60PT-C | - | 36点 | 24点 | |
功能配置一览表
| 系列及点数 | USB 口 | 232 口 | 485 口 | 以太网口 | 扩展模块 | 扩展BD板 | 左扩展ED 模块 | 高速计数路数单相/AB | 脉冲输出路数 | 外部中断 | ||
| OC 模式 | 差分模式 | 普通 | 差分 | |||||||||
| XD3E-24 | × | 1 | 1 | 2 | 10个 | 1个 | 1个 | 3 | × | 2 | × | 10 |
| XD3E-30 | × | 1 | 1 | 2 | 10个 | 1个 | 1个 | 3 | × | 2 | × | 10 |
| XD3E-48 | × | 1 | 1 | 2 | 10个 | 2个 | 1个 | 3 | × | 2 | × | 10 |
| XD3E-60 | × | 1 | 1 | 2 | 10个 | 2个 | 1个 | 3 | × | 2 | × | 10 |
性能规格
项 目 | 规 格 | |||||||
程序执行方式 | 循环扫描方式 | |||||||
编程方式 | 指令、梯形图并用 | |||||||
处理速度 | 0.01~0.03us | |||||||
停电保持 | 使用FlashROM及锂电池(3V纽扣电池) | |||||||
用户程序容量※1 | 256KB; | |||||||
I/O 点数 ※2 | 总点数 | 16点 | 24点 | 30点 | 48点 | 60点 | ||
输入 点数 | 8点 X0~X7 | 14点 X0~X15 | 16点 X0~X17 | 28点X0~X33 | 36点X0~X43 | |||
输出 点数 | 8点 Y0~Y7 | 10点 Y0~Y11 | 14点 Y0~Y15 | 20点Y0~Y21 | 24点Y0~Y27 | |||
内部线圈(X)※3 | 1280点:X0~X77、X10000~X11777、X20000~X20177、X30000~X30077 | |||||||
内部线圈(Y)※4 | 1280点:Y0~Y77、Y10000~Y11777、Y20000~Y20177、Y30000~Y30077 | |||||||
内部线圈 (M、HM) | 11008点 | M0~M7999【HM0~HM959】※5 | ||||||
特殊用※6 M0~SM2047 | ||||||||
流程(S) | 1152点 | S0~S1023【HS0~HS127】 | ||||||
定时器(T) | 点数 | 672点 | T0~T575【HT0~HT95】 | |||||
规格 | 100ms定时器:设置时间0.1~3276.7秒 10ms定时器:设置时间0.01~327.67秒 1ms定时器:设置时间0.001~32.767秒 | |||||||
计数器(C) | 点数 | 672点 | C0~C575【HC0~HC95】 | |||||
规格 | 16位计数器:设置值K0~32,767 32位计数器:设置值-2147483648~+2147483647 | |||||||
数据寄存器(D) | 11048字 | D0~D7999【HD0~HD999】※5 | ||||||
特殊用※6 SD0~SD2047 | ||||||||
FlashROM寄存器 (FD) | 8144字 | FD0~FD6143 | ||||||
特殊用※6 SFD0~SFD1999 | ||||||||
高速处理功能 | 高速计数、脉冲输出、外部中断 | |||||||
口令保护 | 6位长度ASCII | |||||||
自诊断功能 | 上电自检、监控定时器、语法检查 | |||||||
注释:
※1:用户程序容量,指保密下载时的最大程序容量。
※2:I/O点数,指用户可从外部接入、输出信号的端子数。
※3:X,指内部输入继电器,超出I点数的X可用作中间继电器。
※4:Y,指内部输出继电器,超出O点数的Y可用作中间继电器。
※5:【】标志,为默认的断电保持区域,不可更改。
※6:特殊用,指被系统占用的特殊用途的寄存器,不可另作他用。
※7:输入线圈、输出继电器/晶体管的编号为八进制数,其他存储器的编号均为十进制数。
※8:没有与外设实连的I/O可作为快速内部继电器使用。
| 购买人 | 会员级别 | 数量 | 属性 | 购买时间 |
|---|