信捷电气选型平台
型支持与报价:18115003881
选型支持与报价:18115003881
MS6H-80CS30BZ1-20P7-H
❤ 收藏

MS6H-80CS30BZ1-20P7-H

750W
80mm
3000转
带抱闸+Z
单相220V
高惯量
CS-17位单圈绝对值磁编码器
2.4Nm
适用DS5驱动

信捷伺服电机,经济型750W带抱闸,2.4Nm,3000转, 高惯量,防护等级IP54,AC220V,3.8A,编码器精度17位。型号:MS6H-80CS30BZ1-20P7-H(信捷750W高惯量伺服电机),推荐配套驱动DS5L1-20P7-PTA,DS5C1-20P7-PTA。

0.00
0.00
¥0.00
重量:0.000KG
数量:
立即购买
加入选型车
产品配件
  
原价:¥
0.00
  
  搭配总价:¥
0.00
商品描述

信捷伺服电机,经济型750W带抱闸,2.4Nm,3000转, 高惯量,防护等级IP54,AC220V,3.8A,编码器精度17位。型号:MS6H-80CS30BZ1-20P7-H(信捷750W高惯量伺服电机),推荐配套驱动DS5L1-20P7-PTA,DS5C1-20P7-PTA。


 信捷品牌正规授权代理商—常州三禾工自动化科技有限公司

选型技术支持:18115003881


MS6系列单圈绝对值750W伺服电机 

 MS6H-80CS30BZ1-20P7-H

单圈绝对值电机(CS系列)通常当作普通增量式电机使用。


产品描述

 

型号:MS6H-80CS30BZ1-20P7-H;


适用驱动:

DS5C1-20P7-PTA(EtherCAT总线型新款);

DS5L1-20P7-PTA(脉冲基础型新款);


其他适用驱动:

DS5C1-20P7-PTA-FH(EtherCAT总线型新款);


规格参数


电机型号MS6H-80CS30BZ1-20P7-H
电机代码58A5
电压等级单相220V 

额定功率[W]

750W
额定电流[A]3.8A
额定转速[rpm]3000
最高转速[rpm]6000
额定转矩【Nm】2.4【Nm】
最大转矩【Nm】7.2【Nm】
转子惯量[10^-7kg.m2]1770
惯量类型
高惯量
推荐转子惯量比
20
极对数5
编码器位数17 位
编码器种类磁编码器
电机绝缘等级ClassF(155℃)
防护等级IP54
环境温度-15℃~+40℃
环境湿度相对湿度<90%(不结露)
是否带抱闸
抱闸线圈功率【W】8W
抱闸线圈电流【A】0.33
静摩擦转矩【Nm】≥2.5


MS6系列T/N曲线


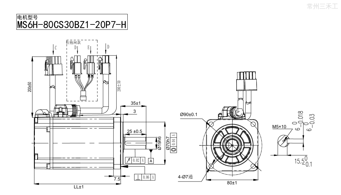
外形尺寸图(单位:mm)


 信捷品牌正规授权代理商—常州三禾工自动化科技有限公司

选型技术支持:18115003881



 电机

可以配套的驱动器

配套电缆

类型

编码器电缆

(03表示3米)

动力电缆

(03表示3米)

抱闸电缆

(03表示3米)

可以订购的标准长度

自制

配件包

MS6H-80CS30BZ1-20P7-H

DS5C1-20P7-PTA



DS5L1-20P7-PT

A


DS5C1-20P7-PTA-FH



普通

CP-SP-M-03

 

CM-P07A-M-03

       

   CB-P03-03

1米,1.2米,1.5

2米,3米,5

6米,8米,10

12米,16米,20

25米,30米,35

40米,45米,50

 

 

 




JAM-P9-P4-P2

  高柔CP-SP-M-03CMT-P07A-M-03CBT-P03-03

2米,3米,5

6米,8米,10

12米,16米,20

25米,30

40米,45米,50



         MS6H-80CS30BZ1-20P7-H     三维图                       下载
         MS6H-80CS30BZ1-20P7-H     CAD图                       下载


 信捷品牌正规授权代理商—常州三禾工自动化科技有限公司

选型技术支持:18115003881

命名规则


规格参数


电机型号MS

单相220V

6S-80

6H-80

6S-80

6H-80

CS/CM30B1

CS/CM30BZ1

CS/CM30B1

CS/CM30BZ1

CS/CM20B1

CS/CM20BZ1

CS/CM20B1

CS/CM20BZ1

20P7

20P7

20P7

20P7

20P7

20P7

20P7

20P7

电机代码

5007

5807

50D7

58D7

5013

5813

50D3

58D3

额定功率(KW)

0.75

额定电流[mA]

4000

4000

4100

4100

4100

4100

4100

4100

额定转速[RPM]

3000

2000

最高转速[RPM]

5200

3000

额定转矩[Nm]

2.39

3.5

最大转矩[Nm]

7.17

10.5

转子惯量[10^-7kg.m2]

980

1030

1670

1693

1208

1261

2445

2553

惯量类型

低惯量

低惯量

高惯量

高惯量

低惯量

低惯量

高惯量

高惯量

推荐转子惯量比

20

极对数

5

编码器位数

17

编码器种类

电机绝缘等级

ClassF(155℃)

防护等级

IP65

使用环境

环境温度

-15℃~+40℃(不冻结)

环境湿度

相对湿度<90%(不结露)




外形尺寸图(单位:mm)



 信捷品牌正规授权代理商—常州三禾工自动化科技有限公司

选型技术支持:18115003881